-
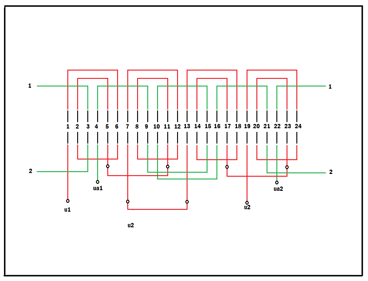
Electroalmerienses: 1.1 - Bobinado motor II
-
Electroalmerienses: 1.1 - Bobinado motor II
-
1
-
1
-
1
-
Electroalmerienses: 1.2 - II concéntrico
-
Bobinado Concéntrico Monofásico | PDF | Inductor |
-
-
PPT - del eléctrico PowerPoint Presentation, free download -
-
trifasicos: silva - sullon
-
Representación bobinado imbricado una capa - YouTube
-
Problemas resueltos de devanados
-
Cálculo Bobinado de Motores Corriente Alterna | PDF | Inductor | Corriente
-
MANUAL PARA EL REBOBINADO DE MOTORES ELÉCTRICOS DE JORGE HURTADO Cód. 1116437264 ALEJANDRO SERNA G
-
Cálculo de bobinado concéntrico por polos YouTube
-
2013
-
PDF) DIAGRAMA | Jk Suarez Arditto - Academia.edu
-
Bobinados de máquinas c. c.
-
9.- Bobinado concéntrico | ME06.- Teoría, cálculo y de los bobinados de máquinas eléctricas C.A.
-
PPT - del eléctrico PowerPoint Presentation, free download -
-
constitucion elec
-
Electroalmerienses: octubre
-
Esquema bobinado
-
9.- Bobinado concéntrico | ME06.- Teoría, cálculo y de los bobinados de máquinas eléctricas C.A.