-
Motor eléctrico de polos conmutables torre de refrigerac...
-
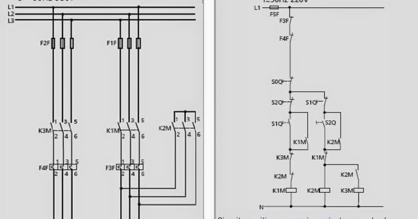
7.- Arranque e inversión de giro de motor dos velocidades Dahlander. | AI06.- Arranque directo, frenado y variación de velocidad de los motores
-
19 arranque de motores trifásicos de dos velocidades. 19.1.
-
Motor eléctrico de polos conmutables torre de refrigerac...
-
Motor dos velocidades conexión dahlander - YouTube
-
MOTOR MONOFASICO CON DEVANADO AUXILIAR 0,3KW
-
de bobinados de dos velocidades Dahlander -
-
Todo lo que que sobre los eléctricos
-
IzqElec: motor polos conmutables, varias velocidades
-
Pin en
-
PARA MOTOR ELÉCTRICO DE DOS VELOCIDADES
-
19 arranque de motores trifásicos de dos velocidades. 19.1.
-
instalacion-y-mantenimiento-de-motores-electricos-trifasicos…
-
Máquinas Eléctricas - Enertica
-
Motor de Polos | PDF Corriente eléctrica | Energia electrica
-
de Accionamiento – Mecaser
-
Motor trifásico - YD Series - Ocean Industry co.,Ltd asíncrono / 380V / IP44
-
Motor trifásico 2,2/1,5 - B35 | JS Technik GmbH
-
Esquemas de de motores de y dahlander o de polos consecuentes conmutables. - YouTube
-
JNG del Ecuador on Twitter: "Prueba YA la mejor tecnología en MOTORES SIEMENS. #NoTeLoPierdas Te esperamos nuestros almacenes #JNG #JNGMegaStore @Siemens #Motores #Tecnologia https://t.co/7iX9rUS2Lp" / Twitter
-
19 arranque de motores trifásicos de dos velocidades. 19.1.
-
IzqElec: motor polos conmutables, varias velocidades
-
Electrotec CIRCUITO DE UN MOTOR DAHLANDER... | Facebook
-
interruptores inversores monofásicos ADAJUSA
-
con rotor de jaula IEC - Tecnica Srl